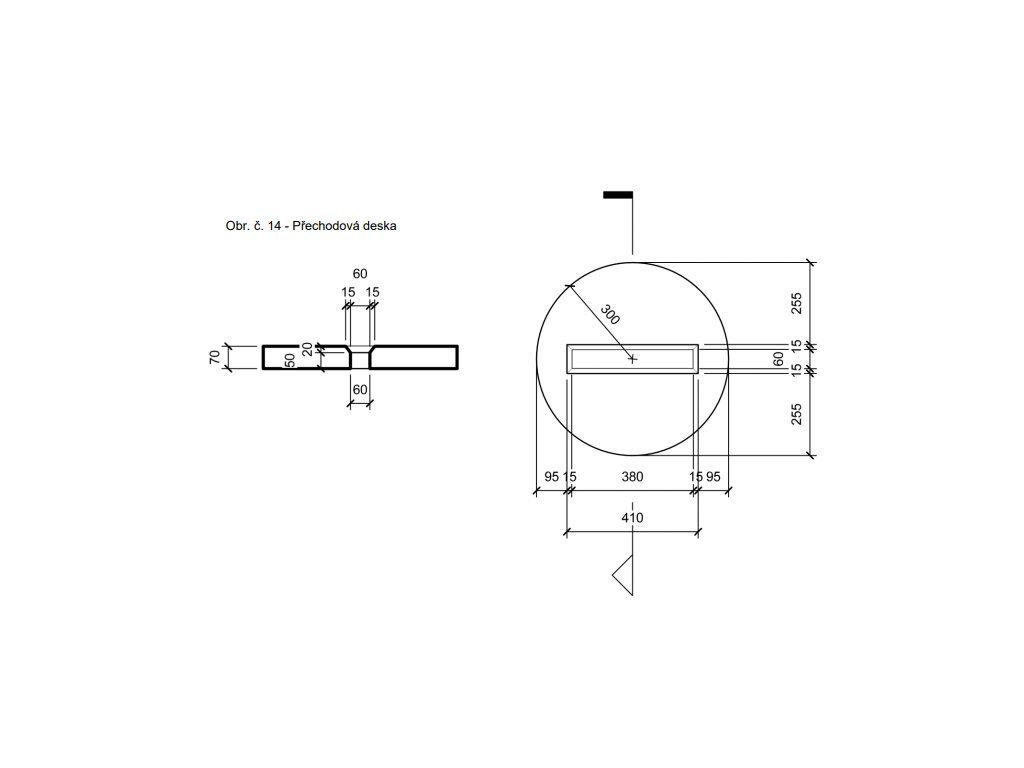
Přechodová deska DITON Ø 60 x 7 cm
Kód: 21306110101Související produkty
Detailní popis produktu
Přechodová deska DITON Ø 60 x 7 cm
Přechodová deska od DITON je důležitý konstrukční prvek systému štěrbinového odvodnění. Slouží k přesnému výškovému dorovnání vpusti a zajišťuje její stabilní usazení v podkladní vrstvě.
Použití této desky je klíčové pro správnou funkci celého systému – umožňuje ideální napojení vpusti na přechodový díl a štěrbinový žlab, čímž zajišťuje plynulý odtok vody bez zadržování. Díky své konstrukci zároveň přispívá k rovnoměrnému rozložení zatížení a eliminuje riziko sedání jednotlivých prvků.
Deska je vyrobena z kvalitního betonu, který zaručuje vysokou pevnost, odolnost vůči mrazu i dlouhou životnost v exteriéru. Využívá se při realizaci chodníků, příjezdových cest, teras i dalších zpevněných ploch, kde je potřeba spolehlivé odvodnění.
UPOZORNĚNÍ: Křehké zboží - zasíláme VŽDY na paletě! Doprava bude naceněna dle objednaného množství a místa dodání!
|
Technické parametry:
Vlastnosti:
|
![]() |

Doplňkové parametry
| Kategorie: | Betonové štěrbinové žlaby |
|---|---|
| Barva: | Šedá |
| Materiál: | Beton |
| Počet v balení: | 1 ks |
| Rozměr: | 600 x 70 mm |
| Třída zatížení: | 3,5 t |
| Typ: | Přechodová deska |
| Typ mříže: | Bez mříže |
| Výška: | 70 mm |
| Hmotnost: | 37,3 kg |
Diskuze
Buďte první, kdo napíše příspěvek k této položce.

